
M3型板式換熱器
M3型板式換熱器 M3型板式換熱器是一種新型的節能熱交換裝置,具有傳熱效果高,結構緊湊,占地面積小,操作簡便,清洗,拆卸,維護方便,容易改變換熱面積或流程組合等...
|
M3型板式換熱器 M3型板式換熱器是一種新型的節能熱交換裝置,具有傳熱效果高,結構緊湊,占地面積小,操作簡便,清洗,拆卸,維護方便,容易改變換熱面積或流程組合等優點。 本產品適用于化工,機械,食品,飲料,醫藥,住宅供暖,供熱水,空調等部門。板片材質:SUS304,316L,321,鈦板,等。密封墊片丁腈,三元乙丙,氟膠等 板片厚度: 0.5mm。 |
|
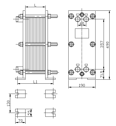
技術參數:
最大組裝面積: 4㎡ 最大水處理量: 15m3/h
管徑: DN32 最大設計壓力: 1.6MPa
最大設計溫度: 180℃ 流道截面積: 0.000242㎡
波紋深度: 2.5mm 板片尺寸: 432x125mm
中心距: 60x357mm 傳熱系數: 2000-6000w/㎡.℃
外形尺寸(僅供參考):
|
|


